WM06Z120-10003
Can't find what you're looking for? Go to the Product Selector
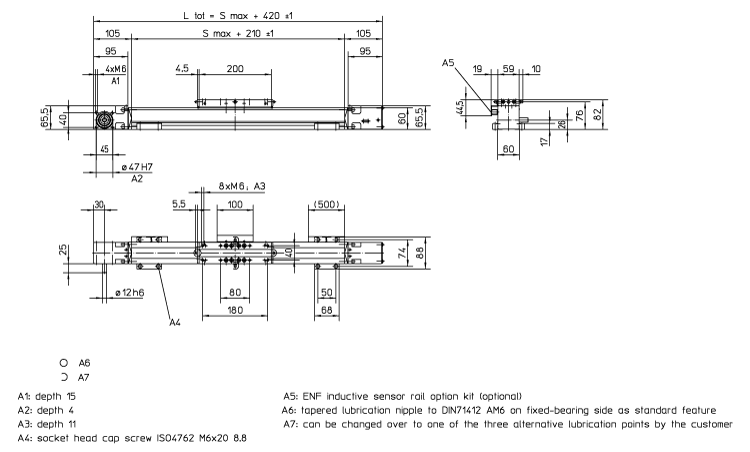
WM06Z120-01829-02249MS-0000, 直線運動單元, WM60Z, 皮帶 Drive, 滾珠 Guide, 0.05 毫米 Repeatability, 1829 毫米 Stroke, 2249 毫米 Overall Length, 單短滑塊, 120 毫米 Travel Per Shaft Rev, Shaft On Both Sides With Keyway, 2500 Maximum Linear Speed
- 取代
- 中央潤滑所有需潤滑零件
